
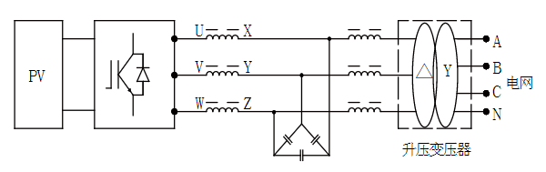
■ 光伏干式隔离变压器接线示意

■ 产品简述
本系列产品专门为商用太阳能逆变器配套使用,安装在光伏逆变器与电网之间,是完成与电能转换不可缺少的元件。产品性能稳定可靠,具有经济实用性能,高效率的特点。绝缘等级按F/H级供客户选择。
■ 性能参数
1、电压等级:3-AC270(300,315)/400V
2、额定容量:25~630KVA
3、使用海拔:≤2000M
4、绝缘等级:F /H级
5、联接组别:Dyn11
6、工频耐压:AC 3000V/50Hz/5mA/60S
7、温升限值:按照GB6450-86(F级绝缘考核≤100K,H级≤120K)
8、使用环境:在-10~﹢45℃. 相对湿度:<90%的环境下长期工作
9、产品执行标准:GB1049.11-2007,GB6450-86,JB9644-1999电气用变压器。
■ 型号含义

■ 产品选型参数及尺寸
光伏隔离变压器参数及尺寸表,输入 3AC-270V/300/315V/输出 3AC400V,铝,绝缘等级:H 级 |
||||||||
变压器规格型号 |
默认接 |
变压器容量 |
效率% |
重量(Kg) |
外形尺寸 |
安装尺寸 |
安装孔径 |
图 |
NS-SG-50KVA |
Dyn11 |
50 |
97% |
231.0 |
530*370*560 |
400*225 |
13*23 |
A |
NS-SG-100KVA |
Dyn11 |
100 |
97% |
348.0 |
600*400*630 |
450*255 |
13*23 |
A |
NS-SG-125KVA |
Dyn11 |
125 |
97.50% |
448.0 |
660*420*730 |
490*340 |
15*25 |
A |
NS-SG-250KVA |
Dyn11 |
250 |
98% |
638.0 |
750*500*750 |
560*340 |
15*25 |
A |
NS-SG-500KVA |
Dyn11 |
500 |
98.25% |
1090.0 |
850*550*970 |
640*340 |
15*25 |
A |
NS-SG-630KVA |
Dyn11 |
630 |
98.50% |
1305.0 |
980*560*1000 |
740*340 |
15*25 |
A |
上一篇:自偶变压器 NS-SOFG